防振ゴムブッシュ
T型
ボルトより伝達する振動を絶縁します
・締結部分での接触や振動等を防ぎたい箇所に使用
・機器本体とボルトが緩衝しない構造
・RoHS2指令((EU)2015/863)10物質の規制に適合
・ゴム材質:SBR(T-18,T-22) CR(T-32) NR(T-46)

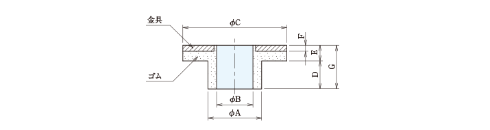
| 型 式 | 形状*¹ | 許容荷重 | 寸 法 (単位:mm) | 備 考 | |||||||
|---|---|---|---|---|---|---|---|---|---|---|---|
| 常用 (N) |
最大値*² (N) |
A | B | C | D | E | F | G | |||
| T-18*³ | X | 981 | 4900 | 18 | 14 | 40 | 4.5 | 6 | 2.3 | 10.5 | ウルトラパッド適用品 |
| T-22*³ | X | 863 | 4320 | 22 | 18 | 40 | 4.5 | 6 | 2.3 | 10.5 | ウルトラパッド適用品 |
| T-32 | X | 1180 | 7880 | 32 | 18 | 50 | 25 | 10 | 2.3 | 35 | |
| T-46 | X | 2750 | 13700 | 46 | 24 | 80 | 35 | 11 | 3.2 | 46 | |
- 1:ご発注の際には、形状記号もご指定下さい。
- 2:許容荷重の最大値とは、一時的に作用する荷重を示します(ストッパー使用等)
- 3:ゴム材質はSBRになります。
- 締結箇所に使用することで、振動の伝達を防ぎます。取付箇所とボルトを防振ゴムで絶縁する構造となっています。
- ゴムブッシュとして、締結箇所に使用します。
- 一般汎用(変圧器、大型変圧器、各種機器防振、設備機器)
- 角型防振ゴム(KGH等)や、ウルトラパッド(UP型)との併用がおすすめです。







